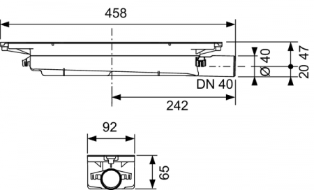
Сифон для душевого лотка TECE Drainprofile 673001 DN 40 (плоский) купить в Москве дешево
Мы используем файлы 'cookie', чтобы обеспечить максимальное удобство пользователям.