на лучшие бренды
всем клиентам
по России за 24 часа
от производителей
- Для монтажа с использованием обмазочной гидроизоляции (душевые поддоны в строительном исполнении);
 - герметизация примыкающих поверхностей лотка к строительным конструкциям осуществляется при помощи герметика и гидроизоляционного полотна;
 - нержавеющая сталь 1.4301;
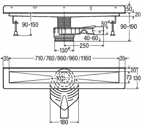
 - L = 750 мм;
 - пропускная способность = 0,8-1 л/с.
 
комплектация
- монтажные опоры;
 - конструкция сифона с защитой от срыва гидрозатвора;
 - регулируемая высота столба жидкости гидрозатвора в пределах 35–50 мм;
 - возможность легкой прочистки;
 - съемная погружная труба гидрозатвора;
 - сетчатый фильтр;
 - компенсатор высоты;
 - угловая конструкция для пристенного монтажа с внешним песчаным покрытием.
 
технические характеристики
класс нагрузки K=300 кг.| 
										 
											Страна
											 
									? 										Основная страна в которой находится фирма или страна производства  | 
									Германия | 
| 
										 
											Производитель
																					 
									 | 
									Viega | 
| 
										 
											Серия
																					 
									 | 
									Advantix Basic | 
| 
										 
											Направление выпуска
											 
									? 										Вбок = горизонтальный. Вниз = вертикальный.  | 
									горизонтальное | 
| 
										 
											Решетка в комплекте
																					 
									 | 
									нет | 
| 
										 
											Материал конструкции
											 
									? 										Материал самого лотка/трапа, не учитывая решетку  | 
									нержавеющая сталь | 
| 
										 
											Форма
																					 
									 | 
									прямоугольная | 
| 
										 
											Монтаж
											 
									? 										С фартуком - пристенный. В стену только "Vario в стену". Остальные в пол.  | 
									к стене (пристенный) | 
| 
										 
											Монтажная высота, мм
																					 
									 | 
									900-1500 | 
| 
										 
											Системный размер, мм
																					 
									 | 
									750 | 
| 
										 
											Пропускная способность, л/с
																					 
									 | 
									0,8-1 | 
| 
										 
											Диаметр слива, мм
																					 
									 | 
									50 | 
Для покупки товара в нашем интернет-магазине выберите понравившийся товар и добавьте его в корзину. Далее перейдите в Корзину и нажмите на «Оформить заказ» или «Быстрый заказ».
 Когда оформляете быстрый заказ, напишите ФИО, телефон и e-mail. 
Вам перезвонит менеджер и уточнит условия заказа. По результатам разговора вам придет подтверждение оформления товара на почту или через СМС. Теперь останется только ждать доставки и радоваться новой покупке.
Оформление заказа в стандартном режиме выглядит следующим образом:
Заполняете полностью форму по последовательным этапам: адрес, способ доставки, оплаты, данные о себе. Советуем в комментарии к заказу написать информацию, которая поможет курьеру вас найти. Нажмите кнопку «Оформить заказ».
Оплачивайте покупки удобным способом. В интернет-магазине доступно 2 варианта оплаты:
- Наличные при самовывозе или доставке курьером. Специалист свяжется с вами в день доставки, чтобы уточнить время и заранее подготовить сдачу с любой купюры. Вы подписываете товаросопроводительные документы, вносите денежные средства, получаете товар и чек, товарную накладную,гарантию на товар.
 - Безналичный расчет как юридическое лицо. Для этого необходимо отправить нам по электронной почте реквизиты вашей организации.
 
Экономьте время на получении заказа. В интернет-магазине доступно 3 варианта доставки:
- Курьерская доставка по Москве и Московской области работает с 9.00 до 19.00. Отдел доставки заранее свяжется с Вами для уточнения деталей. Специалист предложит выбрать удобное время доставки и уточнит адрес. 
 - Самовывоз из магазина. Список торговых точек для выбора появится в корзине. Когда заказ поступит на склад, вам придет уведомление. Для получения заказа обратитесь к сотруднику отдела продаж.
 -  Отправка через транспортные компании: "Деловые Линии", "СДЭК", "ПЭК" и другие. Когда заказ будет передан в отделение ТК, вам поступит уведомление  и номер отслеживания заказа. 
 
