на лучшие бренды
всем клиентам
по России за 24 часа
от производителей
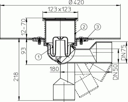
Трап HL80.1H предназначен для установки во внутренних помещениях и отвода в канализацию сточных вод с уровня пола и гидроизоляции.
Технические характеристики:
Максимальная разрешенная нагрузка до 300 кг
Рабочая температура до +85°С
Срок службы не менее 50 лет
Особенности монтажа:
1. Высота надставного элемента трапа регулируется от 12 до 70 мм (подрезается по высоте стяжки). При необходимости увеличить высоту применяются удлинители HL340N.
2. Слой гидроизоляции – наплавляемый материал на битумной основе сваривается пламенем пропановой горелки или горячим воздухом с гидроизоляционным «фартуком» трапа с перехлёстом 100-150 мм.
3. Выпускной патрубок трапа HL80.1H предназначен для соединения с любой канализационной раструбной трубой из ПВХ или ПП (REHAU, WAVIN и т.д.). Если для ливневой канализации применяются стальная или чугунная безраструбная труба (SML), необходимо использовать переходник с ПП/ПВХ на Чугун/Сталь.
4. Если диаметр присоединяемой канализационной трубы DN50, то необходимо на отводящем патрубке трапа отрезать участок DN75.
5. До завершения монтажных работ, для исключения попадания посторонних предметов в систему канализации, в корпус трапа устанавливается монтажная заглушка (идёт в комплекте). При установке надставного элемента, который подрезается в зависимости от необходимой высоты, она удаляется.
В надставной элемент также может устанавливаться заглушка для предотвращения его повреждения или деформации. После завершения монтажных работ в надставной элемент устанавливается решетка из нержавеющей стали.
Монтажные заглушки подлежат утилизации.
Внимание!
Трап HL80.1H позволяет отводить в канализацию стоки с температурой до 100°С, при условии, что её воздействие имеет кратковременный характер (100-200 литров жидкости с температурой не более 100°С). Повышение температуры сливаемой жидкости до 100°С не влияет на пропускную способность трапа и его работоспособность, так как основной рабочий элемент трапа – сифон выполнен из полипропилена (рабочая температура которого не должна превышать 100°С). В этом случае снижается только максимально допустимая нагрузка на трап (так как корпус трапа исполняет роль несущего силового элемента), она не должна превышать 150 кг.
|
Страна
? Основная страна в которой находится фирма или страна производства |
Австрия |
|
Производитель
|
HL |
|
Серия
|
N |
|
Цвет
|
хром глянцевый |
|
Решетка в комплекте
|
да |
|
Материал решетки
|
нержавеющая сталь |
|
Материал конструкции
? Материал самого лотка/трапа, не учитывая решетку |
пластик |
|
Цвет решетки
|
хром |
|
Форма
|
квадратная |
|
Монтаж
? С фартуком - пристенный. В стену только "Vario в стену". Остальные в пол. |
в полу |
|
Монтажная высота, мм
|
163-288 |
|
Пропускная способность, л/с
|
0.50 |
|
Диаметр слива, мм
|
75 |
|
Вид решетки
? Решетки для плитки надо выбирать вместе с щелевыми (зажимая Ctrl) |
перфорированная |
Для покупки товара в нашем интернет-магазине выберите понравившийся товар и добавьте его в корзину. Далее перейдите в Корзину и нажмите на «Оформить заказ» или «Быстрый заказ».
Когда оформляете быстрый заказ, напишите ФИО, телефон и e-mail.
Вам перезвонит менеджер и уточнит условия заказа. По результатам разговора вам придет подтверждение оформления товара на почту или через СМС. Теперь останется только ждать доставки и радоваться новой покупке.
Оформление заказа в стандартном режиме выглядит следующим образом:
Заполняете полностью форму по последовательным этапам: адрес, способ доставки, оплаты, данные о себе. Советуем в комментарии к заказу написать информацию, которая поможет курьеру вас найти. Нажмите кнопку «Оформить заказ».
Оплачивайте покупки удобным способом. В интернет-магазине доступно 2 варианта оплаты:
- Наличные при самовывозе или доставке курьером. Специалист свяжется с вами в день доставки, чтобы уточнить время и заранее подготовить сдачу с любой купюры. Вы подписываете товаросопроводительные документы, вносите денежные средства, получаете товар и чек, товарную накладную,гарантию на товар.
- Безналичный расчет как юридическое лицо. Для этого необходимо отправить нам по электронной почте реквизиты вашей организации.
Экономьте время на получении заказа. В интернет-магазине доступно 3 варианта доставки:
- Курьерская доставка по Москве и Московской области работает с 9.00 до 19.00. Отдел доставки заранее свяжется с Вами для уточнения деталей. Специалист предложит выбрать удобное время доставки и уточнит адрес.
- Самовывоз из магазина. Список торговых точек для выбора появится в корзине. Когда заказ поступит на склад, вам придет уведомление. Для получения заказа обратитесь к сотруднику отдела продаж.
- Отправка через транспортные компании: "Деловые Линии", "СДЭК", "ПЭК" и другие. Когда заказ будет передан в отделение ТК, вам поступит уведомление и номер отслеживания заказа.
