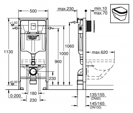
Система инсталляции для унитазов
Представляем Вашему вниманию коллекцию Escale, что в переводе с французского означает Пристань. Поэтому основным мотивом коллекции можно по праву считать образ большого паруса, наполненного свежим ветром. Коллекция отличается уникальным сочетанием плавных линий и четких геометрических форм. Escale демонстрирует стильный дизайн, с неуловимой легкостью играющий изогнутыми линиями.
Вся продукция Escale выполнена в едином стиле и Вы легко сможете подобрать все основные комплектующие: раковину, ванну, унитаз, биде и др. заведомо сочетающиеся между собой как технически, так и по дизайну. Они идеально впишутся как в просторную ванную загородного дома, так и в ограниченное пространство городских квартир.
Оригинальное использование пространства в сочетании с сантехникой из коллекции Escale, подарят Вам легкое отпускное настроение и ощущение чистоты, простоты и гармонии, подобно тихой пристани у берега моря и паруса, наполненного свежим ветром.
|
Страна
? Основная страна в которой находится фирма или страна производства |
Франция |
|
Производитель
|
Jacob Delafon |
|
Серия
|
Escale |
|
Материал
|
фарфор |
|
Материал
|
фарфор |
|
Вес, кг
|
27.8 |
|
Гарантия
|
25 лет - керамика, 1 год - сиденье |
|
Область применения
|
бытовая |
|
Диаметр слива, см
|
9 |
|
Высота, см
|
33.2 |
|
Ширина, см
|
36.7 |
|
Глубина, см
|
23 |
|
Цвет
|
белый |
|
Направление выпуска
|
горизонтальное (в стену) |
|
Функция биде
|
нет |
|
Система антивсплеск
|
да |
|
Безободковый
|
нет |
|
Быстросъемное сиденье
|
нет |
|
Оснащение
|
смывной бачок / кнопка смыва / крепления |
|
Дополнительная информация
|
кнопка Skate Cosmopolitan |
|
Длина, см
|
60 |
|
Материал сиденья
|
термодюр |
|
Требуется система инсталляции
|
да |
|
Межосевое расстояние под крепеж. шпильки
|
23 |
|
Стилистика дизайна
|
современный |
|
Цвет сиденья
|
белый |
|
Безободковый
|
нет |
|
Сиденье в комплекте
|
да |
|
Сиденье с микролифтом
|
да |
|
Подвод воды
|
сзади бачка / сбоку бачка |
|
Длина чаши, см
|
43.5 |
|
Метод крепления
|
в капитальную стену и пол |
|
Монтажная высота, см
|
133 |
|
Монтажная глубина, см
|
23 |
|
Диаметр переходника для слива, см
|
11 |
|
Межосевое расстояние под крепеж. шпильки, см
|
18 / 23 |
|
Монтаж
|
подвесной |
|
Управление
|
пневматическое |
|
Режим слива воды
|
2 кнопки (эконом) / 1 кнопка (старт-стоп) |
|
Материал кнопки
|
пластик |
|
Цвет кнопки
|
хром |
|
Объем смыва, л
|
3 и 6 |
Для покупки товара в нашем интернет-магазине выберите понравившийся товар и добавьте его в корзину. Далее перейдите в Корзину и нажмите на «Оформить заказ» или «Быстрый заказ».
Когда оформляете быстрый заказ, напишите ФИО, телефон и e-mail.
Вам перезвонит менеджер и уточнит условия заказа. По результатам разговора вам придет подтверждение оформления товара на почту или через СМС. Теперь останется только ждать доставки и радоваться новой покупке.
Оформление заказа в стандартном режиме выглядит следующим образом:
Заполняете полностью форму по последовательным этапам: адрес, способ доставки, оплаты, данные о себе. Советуем в комментарии к заказу написать информацию, которая поможет курьеру вас найти. Нажмите кнопку «Оформить заказ».
Оплачивайте покупки удобным способом. В интернет-магазине доступно 2 варианта оплаты:
- Наличные при самовывозе или доставке курьером. Специалист свяжется с вами в день доставки, чтобы уточнить время и заранее подготовить сдачу с любой купюры. Вы подписываете товаросопроводительные документы, вносите денежные средства, получаете товар и чек, товарную накладную,гарантию на товар.
- Безналичный расчет как юридическое лицо. Для этого необходимо отправить нам по электронной почте реквизиты вашей организации.
Экономьте время на получении заказа. В интернет-магазине доступно 3 варианта доставки:
- Курьерская доставка по Москве и Московской области работает с 9.00 до 19.00. Отдел доставки заранее свяжется с Вами для уточнения деталей. Специалист предложит выбрать удобное время доставки и уточнит адрес.
- Самовывоз из магазина. Список торговых точек для выбора появится в корзине. Когда заказ поступит на склад, вам придет уведомление. Для получения заказа обратитесь к сотруднику отдела продаж.
- Отправка через транспортные компании: "Деловые Линии", "СДЭК", "ПЭК" и другие. Когда заказ будет передан в отделение ТК, вам поступит уведомление и номер отслеживания заказа.
